39 belt diagram for troy bilt riding lawn mower
PDF Drive Belt Mtd Troy Bilt Diagram troy bilt gtx 2446 how do 05, shop troy bilt 46 in deck drive belt for riding lawn mowers in the lawn mower belts section of lowes com fits troy bilt and mtd 46 in deck with manual pto lawn tractors 2006 and after replaces oe 754 04122 and 954 04122, troy bilt bronco transmission belt diagram format pdf 4 6 to 5 v check routing of wiring ... Troy-Bilt Bronco Riding Mower Drive Belt ... - YouTube a helpful tip for replacing the drive belt on 2011-14 Troy-Bilt Bronco tractors.....the online manual doesn't mention it is IMPOSSIBLE to finagle the belt ...
Troy Bilt Bronco Riding Mower Belt Diagram - schematron.org Place the new belt over the sheaves (pulleys and tensioners) according to your mower's routing diagram. Begin with the placing the belt over the engine pulley. Slowly work the belt to the rear of the mower. Pull the slack (loose part of the belt) to rear of the mower.
_WW_2.gif)
Belt diagram for troy bilt riding lawn mower
How To Tighten The Belt On A Troy-Bilt ... - Upgraded Home Locate the frame of your lawnmower and loosen up the clamp bolts with your wrench. If the wrench doesn't work, you can use the pliers. Remove the cover and make sure that you don't press or pull too hard, so you don't bend the cover. Step 4: Remove Your Blades Remove the screw that's near the back tire so that you can access the blade. Troy Bilt 13wv78ks011 Drive Belt Diagram Request the drive belt diagram directly from Troy-BiltTroy Bilt 13WX78KS Bronco Drive Transmission Exploded View parts lookup by model. There are 349 parts used by this model. If These Items Cannot Be Obtained Locally Order by Part. Belt v Typ 5l X Lg Poly. In Stock 3 available. In Stock 3 available. In Stock 25 available. How to change the deck belt - YouTube This is how you remove and change the deck belt on your Troy-Bilt riding lawn mower. Always be sure to check your owner's manual for detailed instructions on...
Belt diagram for troy bilt riding lawn mower. Belt diagram for Troy-bilt riding lawn mower? - Answers Belt diagram for Troy-bilt riding lawn mower? Wiki User. ∙ 2009-09-04 13:36:36. Study now. See answer (1) Best Answer. Copy. diagram for belt should be on deck left side as you sit on tractor by ... Belts - Troy-Bilt Whether you're looking for drive belts for your Snow Blower or deck belts for your Riding Lawn Mowers, you'll find them here. Use our Parts Diagram Tool to look up the belt for your Troy-Bilt or our Part Finder to make sure you're getting the right belt for your machine. 231 Items Riding Mower 42-inch Deck Belt Item#: 490-501-Y044 $43.99 PDF Drive Belt Diagram Troy Bilt Lawn Mower troy a belt on a troy bilt riding lawn mower diagram for troy bilt pony the drive belt' 'troy bilt bronco drive belt diagram imageresizertool com may 12th, 2018 - troy bilt bronco drive belt diagram further sears lawntractor mower deck belt installation 376324 also 6okiq troy bilt super bronco crt tiller model 21a 644a766 together with troy bilt Part Finder Parts Diagrams For equipment 1995-present . ... How To Repair the Drive Belt on a Riding Lawn Mower. For the do-it-yourself homeowner, here are some step-by-step instructions on how to change a riding lawn mower drive belt. ... Our Other Sites: Cub Cadet Troy-Bilt Remington MTD Products Inc. MTD Products LLC P.O. Box 368022. Cleveland, OH 44136
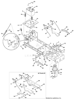
Drive Belt Diagram Troy Bilt Bronco Complete Found on Diagram: Drive System Upper Drive Belt. Displaying Quick Reference parts for the Troy-Bilt 13YX78KS - Troy-Bilt Bronco 13YX78KS - Troy-Bilt Bronco Lawn Tractor () Upper Drive Belt. Request the drive belt diagram directly from Troy-Bilt.Troy Bilt 13WX78KS Bronco () Drive & Transmission Exploded View parts lookup by model. 9 Common Troy-Bilt Lawn Mower Problems with Solutions! When the hydrostatic transmission on your Troy-Bilt mower feels weak, you should check the drive belt and tensioner pulley for wearing and replace if needed. Old hydraulic fluid or a low hydraulic fluid level can cause weakness in your transmission. It's important to follow your manufacturer's guidelines for a hydraulic oil and filter change. Troy-Bilt Zero-Turn Mowers Parts with Diagrams - PartsTree All models of Troy-Bilt Zero-Turn Mowers. Fix it fast with OEM parts list and diagrams. ... Troy-Bilt Zero-Turn Mowers Parts Lookup & Diagrams Troy-Bilt Zero-Turn Mowers Parts Lookup & Diagrams Troy-Bilt Zero-Turn Mowers ( 109 Models ) 17AA5AAG766 - Troy-Bilt RZT 42" Zero-Turn Mower (2006) Troy-Bilt 13AN77KS011 - PartsTree Mower Deck 42-Inch diagram and repair parts lookup for Troy-Bilt 13AN77KS011 - Troy-Bilt Pony Lawn Tractor (2010) ... Troy-Bilt; Riding Mowers; 13AN77KS011 - Troy-Bilt Pony Lawn Tractor (2010) 13AN77KS011 ... Bracket, Guard, Belt, 4.25 Pulley
13AD609G063 - PartsTree 13AD609G063 - Troy-Bilt Lawn Tractor (2000) Parts Lists & Diagrams. Lawn Tractor. Troy Bilt Pony Drive Belt Diagram We have parts, diagrams, accessories and repair advice to make your tool repairs easy. Troy-Bilt 13WN77KS (Pony) () Lawn Tractor Parts. Search within .. Belt Keeper Rod. $ Transmission Pulley. $ Troy Bilt 13WM77KS Pony () Mower Deck Inch Parts Diagram. SWIPE SWIPE 3. Belt Keeper Belt Keeper No Longer Available. 4. Lookup Parts by Diagram - Troy-Bilt Engine Disclaimer: The engine horsepower information is provided by the engine manufacturer to be used for comparison purposes only. See your local servicing retailer for warranty details. Pricing Disclaimer: Posted price is in US Dollars and is the manufacturer's suggested sale price. Available models and pricing may vary by location. Troy Bilt 13AP609G063 LTX1842 (2003 ... - Jacks Small Engines There are (405) parts used by this model. Found on Diagram: Axle, Front, Steering Assembly, Wheels, Front 7101260A Screw Options 7100604A Screw $3.56 Add to Cart 7830726E USE 783-0726E $38.84 Add to Cart 7830727B USE 783-0727B $48.29 Add to Cart 7830728B USE 783-0728B $27.37 Add to Cart 7100514 Hex Screw $3.40 Add to Cart 7111408
Model 13AQ92KP563 - Troy-Bilt Find parts for your Troy-Bilt Riding Lawn Mower Model 13AQ92KP563. Parts diagrams and manuals available. Free shipping on parts orders over $45.
How to Replace the Upper Drive Belt on a 42-Inch ... - YouTube How to Replace the Upper Drive Belt on a 42-Inch Troy-Bilt Lawn Mower. The upper drive belt on the 42-inch Troy-Bilt lawn mower is the only serviceable drive...
Model 13AM77KS011 - Troy-Bilt Find parts for your Pony Troy-Bilt Riding Lawn Mower. Parts diagrams and manuals available. Free shipping on parts orders over $45.
Troy Bilt Pony 42 Deck Belt Diagram Troy Bilt Pony 42 Deck Belt Diagram Lekan Oke October 21, 2021 Engines The Troy Bilt Pony 42 deck belt is designed to connect the crankshaft to the lawn mower blade and cause them to turn. If you notice a problem with your mower blades or the deck belt, you might need the setup diagram to help you put things in order.
Model 13AV60KG066 - Troy-Bilt Find parts for your Bronco Troy-Bilt Riding Lawn Mower . Parts diagrams and manuals available. Free shipping on parts orders over $45.
Troy Bilt Pony 7 Speed Belt Diagram - schematron.org The Troy-Bilt Pony lawn tractor features a inch-wide cutting deck and a The tractor uses a deck belt on a series of pulleys to spin the cutting blades. 7. Locate the deck lift rod on the mower deck, and remove the bow-tie pin. Drive Belt Replacement in a Cub Cadet Series · Install a Deck Belt on a Inch.
Troy-Bilt Riding Mowers Parts with Diagrams - PartsTree Troy-Bilt Riding Mowers Parts Lookup & Diagrams Troy-Bilt Riding Mowers ( 383 Models ) 1600 H (1668 R) - Troy-Bilt Tractor (SN: B050100101 - B050199999)
Troy Bilt Bronco Riding Mower Belt Diagram Pull fuel line off carb. Troy Bilt 13WX78KS Bronco () Drive & Transmission Parts Diagram . PLUG DECK HOLE 7/8 $ 36 A Upper Drive Belt. Troy Bilt 13WX78KS Bronco () Mower Deck Inch Exploded View parts lookup by model. Complete exploded views of all the major manufacturers.13WX78KS drive belts diagram.
Model 13WM77KS011 - MTD Parts Find parts for your Pony Troy-Bilt Riding Lawn Mower . Parts diagrams and manuals available. Free shipping on parts orders over $45.
Use your tractors lever to move the mower deck to its ... These articles are presented to yo Attachments & Accessories The following attachments and accessories are compatible for the Troy-bilt Pony Lawn Tractor. troy bilt 13an77kg011 pony 2009 parts diagram for mower, riding mower 42 inch deck belt 954 04060c troy bilt ca, 34 troy bilt lawn mower belt Troy-Bilt reserves the right to change product ...
How to change the deck belt - YouTube This is how you remove and change the deck belt on your Troy-Bilt riding lawn mower. Always be sure to check your owner's manual for detailed instructions on...
Troy Bilt 13wv78ks011 Drive Belt Diagram Request the drive belt diagram directly from Troy-BiltTroy Bilt 13WX78KS Bronco Drive Transmission Exploded View parts lookup by model. There are 349 parts used by this model. If These Items Cannot Be Obtained Locally Order by Part. Belt v Typ 5l X Lg Poly. In Stock 3 available. In Stock 3 available. In Stock 25 available.
How To Tighten The Belt On A Troy-Bilt ... - Upgraded Home Locate the frame of your lawnmower and loosen up the clamp bolts with your wrench. If the wrench doesn't work, you can use the pliers. Remove the cover and make sure that you don't press or pull too hard, so you don't bend the cover. Step 4: Remove Your Blades Remove the screw that's near the back tire so that you can access the blade.
Comments
Post a Comment