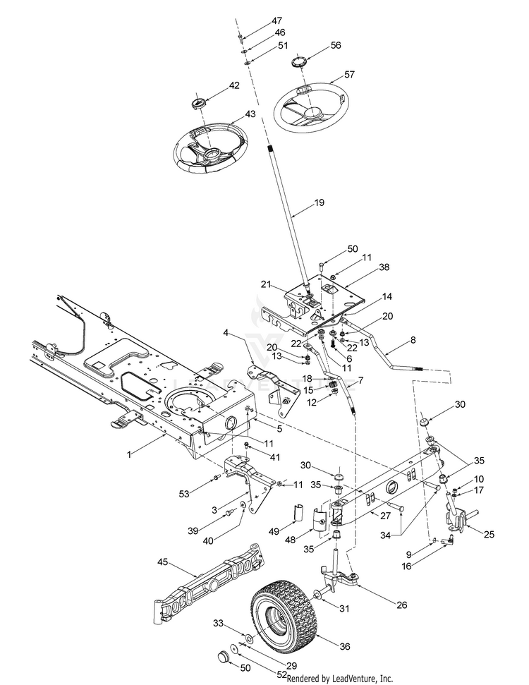
43 huskee riding lawn mower parts diagram
Riding Lawn Mower Parts | MTD Parts Genuine MTD lawn tractor parts can help you maintain your outdoor power equipment long-term. Find riding lawn mower blades, belts, cables and more to repair your unit as needed. 908 Results Sort By: Riding Mower 42-inch Deck Belt 954-04060C $43.99 Add to Cart In Stock Deck Engagement Cable 946-04173E $48.66 Add to Cart In Stock PDF Huskee Riding Mowers Parts Manual Quality Huskee Lawn Mower Replacement Parts From Repair Clinic. Huskee riding lawn mowers, lawn tractors, and walk behind mowers work as hard as you do. To keep your mower working hard, you need to maintain it Page 6/10
Manuals & Diagrams - MTD Parts Manuals & Diagrams. Towing Capacity - Riding Mower. Towing Capacity - Riding Mower. 59625 Views • May 6, 2019 • FAQ. Engine Service & Support - Technical, Parts, Manuals and Warranty. Engine Service & Support - Technical, Parts, Manuals and Warranty.

Huskee riding lawn mower parts diagram
Amazon.com: huskee mower parts Spindle Fit for Troy Bilt Pony Mower - Greaseable Deck Spindle Fit for MTD Huskee Craftsman T1000 T1200 Lawn Tractor and Troy Bilt TB42 TB2246 Bronco 42" Tractor, Replace 918-06991 618-06991. 4.4 out of 5 stars. 21. Lookup Parts by Diagram - MTD Parts | The leader in ... Lookup Parts by Diagram Find the replacement parts you need to keep your lawn mower, snow blower and other outdoor power equipment performing strong and running like new. You can Browse our catalogs, or Search by Part Number or 11-digit factory Model Number to find your product's exploded Diagram Assemblies. Huskee Lawn & Garden Tractors Parts with Diagrams - PartsTree Huskee Lawn & Garden Tractors Parts Lookup & Diagrams Huskee Lawn & Garden Tractors ( 142 Models ) 130-623-131 - Huskee Lawn Tractor (1990) (Tractor Supply)
Huskee riding lawn mower parts diagram. 13AU607H131 - Huskee Lawn Tractor (2000) (Tractor Supply ... Repair parts and diagrams for 13AU607H131 - Huskee Lawn Tractor (2000) (Tractor Supply) Huskee Riding Lawn Mower - Model 13AX615H731 | MTD Parts Find parts for your Huskee Riding Lawn Mower Model 13AX615H731. Parts diagrams and manuals available. Free shipping on parts orders over $45. MTD Gold Riding Lawn Mower - Model 13AX601H504 Find parts for your MTD Gold Riding Lawn Mower Model 13AX601H504. Parts diagrams and manuals available. Free shipping on parts orders over $45. Huskee Lt4200 Wiring Diagram - schematron.org So Diagram if you would like receive all of these fantastic pics about Wiring Diagram for Huskee Lawn Tractor, just click save link to save the pics in your personal pc.. #white riding mower wiring diagram. #mtd bass wiring. #huskee 20 hp wire diagram. #huskee riding mower parts diagram. #mtd mower parts diagram. #toro riding mower wiring.
13AJ608H131 - Huskee Lawn Tractor (2002) (Tractor Supply ... Repair parts and diagrams for 13AJ608H131 - Huskee Lawn Tractor (2002) (Tractor Supply) MTD 13W2775S031 (LT4200) (2012) Parts Diagram for Mower ... MTD 13W2775S031 (LT4200) (2012) Mower Deck 42-Inch Exploded View parts lookup by model. Complete exploded views of all the major manufacturers. It is EASY and FREE MTD Illustrated Parts Lists and Diagrams | Lawnmower Pros OEM MTD Parts Search We are an Authorized MTD Dealer carrying a large selection of MTD Illustrated Parts Lists. If you do not see the MTD Lawn Mower Parts you need, please complete the Lawn Mower Parts Request Form and we will be happy to assist you. Huskee Riding Lawn Mower - Model 13WN77SS031 | MTD Parts Find parts for your Huskee Riding Lawn Mower Model 13WN77SS031. Parts diagrams and manuals available. Free shipping on parts orders over $45.
Amazon.com: huskee lawn mower parts Huskee 42" Mower Deck Parts Rebuild Kit Spindle Assemblies Blades Belt Idler Pulleys. 4.4 out of 5 stars 25. $167.36 $ 167. 36. Get it Tue, Apr 19 - Thu, Apr 21. FREE Shipping. ... huskee riding lawn mower parts huskee lt4200 blades husky lawn mower parts ... 13AN673G131 - Huskee Lawn Tractor (2000) (Tractor Supply ... Repair parts and diagrams for 13AN673G131 - Huskee Lawn Tractor (2000) (Tractor Supply) Huskee Riding Lawn Mower - Model 13WJ771S031 | MTD Parts Find parts for your Huskee Riding Lawn Mower Model 13WJ771S031. Parts diagrams and manuals available. Free shipping on parts orders over $45. Shop Huskee Parts | MTD Parts Find all the genuine replacement parts for Huskee on our Parts Diagram. We carry everything for your machine and the Parts Diagram helps visualize every component found in your equipment. Give it a try and if you can't find what you are looking for or need assistance installing the new part, call 1-800-269-6215 today. Find Parts by Machine Type
Huskee Riding Mower Drive Belt Diagram - schematron.org Huskee Riding Mower Drive Belt Diagram 12.10.2018 4 Comments Shop our selection of Huskee, Belts in the Outdoors Department at The Home Depot. MTD Genuine Factory Parts Drive Belt for MTD Lawn Tractors, and. Displaying Drive & Transmission parts for the MTD 13AFG - Huskee Lawn Mowers: Lawn & Garden Tractor . Lower Drive Belt Shift Lever Assembly.
LT 4200 (13W2775S031) - Huskee Lawn Tractor (2013) Parts ... Huskee; Riding Mowers; LT 4200 (13W2775S031) - Huskee Lawn Tractor (2013) Parts & Diagrams Parts Lists & Diagrams. Lawn Tractor. Recommended Parts Show $ $ $ $ $ $ $ $ LT 4200 (13W2775S031) - Huskee Lawn Tractor (2013) > Parts Diagrams (20) Hide .Quick Reference ...
MTD Huskee/Husky Parts Lookup by Model - Lawn Mower Parts MTD Huskee/Husky Parts Lookup by Model JACKS SMALL ENGINES HAS JOINED THE NORTHERN TOOL FAMILY! Learn More » Order Status Get Support 1-877-737-2787 Hours of Operation M-F 9AM-6PM ET Sat 9AM-5PM ET Contact Us » Name Guest Sign In Sign Up 0 Shopping Cart 3+ Million Parts 365 Day Returns Fast 2-4 Day Shipping Order Status Get Support 1-877-737-2787
Lookup Parts by Diagram - MTD Parts Canada Lookup Parts by Diagram Find the replacement parts you need to keep your lawn mower, snow blower and other outdoor power equipment performing strong and running like new. You can Browse our catalogs, or Search by Part Number or 11-digit factory Model Number to find your product's exploded Diagram Assemblies.
Huskee Lawn Tractor Parts Diagram Mower Deck Huskee Lawn Tractor Parts Diagram Mower Deck Author: ns1imaxhome.imax.com-2022-04-26T00:00:00+00:01 Subject: Huskee Lawn Tractor Parts Diagram Mower Deck Keywords: huskee, lawn, tractor, parts, diagram, mower, deck Created Date: 4/26/2022 5:02:37 AM
13AU609H131 - Huskee Lawn Tractor (1999) (Tractor Supply ... Repair parts and diagrams for 13AU609H131 - Huskee Lawn Tractor (1999) (Tractor Supply) ... Huskee; Riding Mowers; 13AU609H131 - Huskee Lawn Tractor (1999) ... 13AU609H131 - Huskee Lawn Tractor (1999) (Tractor Supply) > Parts Diagrams (10) Hide . 46-Inch Cutting Deck. Drive System. Electrical System. Engine Accessories. Hood Style 8 & Fuel Tank ...
PDF Huskee riding lawn mower parts diagram Huskee riding lawn mower parts diagram Husqvarna ride on mower battery location. If you are looking to buy one, the basic search of the prices of the new Kubotas can help you make sure you get a good deal. That should save you money on shipping costs when buying used. A manual has up to six speeds.
Huskee Riding Lawn Mower - Model 13W277SS031 | MTD Parts Find parts for your Huskee Riding Lawn Mower Model 13W277SS031. Parts diagrams and manuals available. Free shipping on parts orders over $45.
13A0673G131 - Huskee Lawn Tractor (1998) (Tractor Supply ... Repair parts and diagrams for 13A0673G131 - Huskee Lawn Tractor (1998) (Tractor Supply)
MTD 13AU607H131 (2000) Parts Diagram ... - Lawn Mower Parts MTD 13AU607H131 (2000) Deck Assembly "H" Exploded View parts lookup by model. Complete exploded views of all the major manufacturers. It is EASY and FREE
MTD Parts | The leader in outdoor power equipment parts ... Parts Diagrams For equipment 1995-present . ... What to do when your walk-behind or riding lawn mower won't start? Here are some troubleshooting tips to find out what went wrong, what lawn mower parts you need to fix it and if you'll need to take your lawn mower in for professional service. Read More.
Huskee Lawn & Garden Tractors Parts with Diagrams - PartsTree Huskee Lawn & Garden Tractors Parts Lookup & Diagrams Huskee Lawn & Garden Tractors ( 142 Models ) 130-623-131 - Huskee Lawn Tractor (1990) (Tractor Supply)
Lookup Parts by Diagram - MTD Parts | The leader in ... Lookup Parts by Diagram Find the replacement parts you need to keep your lawn mower, snow blower and other outdoor power equipment performing strong and running like new. You can Browse our catalogs, or Search by Part Number or 11-digit factory Model Number to find your product's exploded Diagram Assemblies.
Amazon.com: huskee mower parts Spindle Fit for Troy Bilt Pony Mower - Greaseable Deck Spindle Fit for MTD Huskee Craftsman T1000 T1200 Lawn Tractor and Troy Bilt TB42 TB2246 Bronco 42" Tractor, Replace 918-06991 618-06991. 4.4 out of 5 stars. 21.
Comments
Post a Comment