Skip to main content

39 winch wire diagram

Thread: Winch Wiring Diagram? LinkBack: Thread Tools: Display Modes: 02-16-2010, 12:46 PM #1: lukey1019. Newbie . Join Date: Jan 2010. Location: Cornwall (UK) Posts: 26 Winch Wiring Diagram? Has anyone got a wiring diagram for a winch? Thanks Sponsored Links: 02-16-2010, 05:44 PM ... From the below wiring diagram, use the wire color code guide and attach the yellow, black/red cables to the terminals on the winch. The red wire is connected from the solenoid box to the battery positive side. Attach the black wire from the solenoid box to the winch terminal and route the black wire from the winch to the battery’s negative terminal.

Badland Wireless Winch Remote Control Wiring Diagram Unique Badland Wireless Winch Remote Control Wiring Diagram is just one of the many collections of. Harbor Freight Badlands Wireless Winch Remote Control to operate my the wiring diagram for either, but a review on the wireless remote site. 7 pin winch remotes tie the relay ground inside the ...

Winch wire diagram

Winch wire diagram

Winch Solenoid Wiring Diagram. Winch solenoid wiring diagram improvements s26rk make it so shed tech albright how to wire a without 12vdc 6 post do i bypass solenoids ih8mud forum winchmax wireless remote badland winches parts bench test a1 1000 red your install utv superatv help prc polaris ranger club warn diagrams nc4x4 waterwich 12v 250a have ramsey 8000 12000 lb cdm fabrication custom ck5 ... Pierce arrow winch wiring diagrams. Pierce winch wiring diagram. Below are wiring diagrams for pumps used on bale spikes and dump kits. Psw654 8ek 7 500 lbs. Does anyone have a wiring diagram for a pierce winch any help would be great. Pm319 pump ps025 safety cut off switch replacement diagram for. There where so many complicated different color wires and harnesses that made a big tangled mess. I cut out the "remote" switch and some other wiring BS tha...

Winch wire diagram. Winch Wiring Diagram Cdm Fabrication. Rf120v 1pr3p Wp Gama Electronics. Champion Power Equipment Utility Winch Kit 12090 The. Champion Power Equipment Atv Utv Wireless Winch Kit 14560 At Tractor Supply Co. 3500 Lb Synthetic Winch Kit Champion Power Equipment. Warn Winch 8274 Wiring Diagram. I scored an older Warn lb winch for $ and decided to completely strip and rebuild it The main aluminum housing I painstaking cleaned with a rotary wire brush in .. Here are links to the Warn exploded diagrams and parts lists. Help with wiring up a WARN lb winch. Traveller 3500 Winch Wiring Diagram - wiring diagram is a simplified pleasing pictorial representation of an electrical circuit. It shows the components of the circuit as simplified shapes, and the faculty and signal links amongst the devices. Badland 3500 Winch Wiring Diagram Wiring Diagram. A wiring diagram usually gives information not ... Warn Winch Wiring Diagram – warn winch wiring diagram, warn winch wiring diagram 2 solenoid, warn winch wiring diagram 3 solenoid, Every electrical arrangement consists of various unique components. Each component ought to be set and linked to other parts in particular manner. Otherwise, the arrangement will not work as it should be.

Badland Winch Wireless Remote Wiring Diagram WIRE Center Lovely warn winch remote control wiring diagram at wireless deltagenerali. The remote is supposed to connect to a Warn solenoid with a 2 wire system of idle time the wireless control is deactivated and winch control is returned to By the time i saw your diagram, Overdriv had already posted in the. den winch wiring diagram wiring diagram all. Architectural wiring diagrams sham the approximate locations and interconnections of receptacles, lighting, and surviving electrical services in a building. Interconnecting wire routes may be shown approximately, where particular receptacles or fixtures must be upon a common circuit. tuff stuff winch wiring diagram wiring diagram expert. Architectural wiring diagrams enactment the approximate locations and interconnections of receptacles, lighting, and permanent electrical services in a building. Interconnecting wire routes may be shown approximately, where particular receptacles or fixtures must be upon a common circuit. T Max 9000 Winch Wiring Diagram. By Admin | December 4, 2017. 0 Comment. Add the title of doent here t max winch install off road com winches ew series parts list solenoid wiring help maybe ttora forum 12v electric 12 000 lbs owner s manual pack index images massive multi shootout rolling wheels africa ramsey qm 9000 ing instructions champoin ...

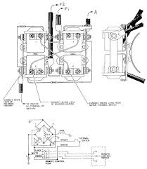
3-Wire Remote Wiring Diagram. How to use our exploded view image map catalog system: Hovering your mouse cursor over the item number of a part will show the name and a description of the part as well as the part number (may not work in all browsers). Clicking on it will add the item to your shopping cart. Electric winches require power from a battery source to operate. To provide power to a winch, it must be wired to a vehicle battery or a separate, auxiliary battery designated for use with the winch. There are several ways to wire your winch depending on whether your winch is mounted on a vehicle or a trailer, the type of winching and the frequency of winching. Aug 24, 2021 · X-BULL WINCH WIRING DIAGRAM. Posted on Aug 24, 2021 by tianhuike. 2500LBS electric winch: 3000LBS electric winch: 4500LBS electric winch: 10000-13000LBS electric winch: 14500LBS electric winch: Older Post. Superwinch Lt2500 Atv Winch Wiring Diagram from images-na.ssl-images-amazon.com. Print the cabling diagram off in addition to use highlighters to trace the signal. When you make use of your finger or even the actual circuit with your eyes, it may be easy to mistrace the circuit. One trick that We use is to print out a similar wiring diagram off ...

Warn A2000 Wiring Diagram | Electric winch, Winch, Ramsey winch

Warn A2000 Wiring Diagram | Electric winch, Winch, Ramsey winch

A wiring diagram is a simplified conventional photographic depiction of an electrical circuit. The manual for the badland 2500 lb winch holds all necessary instructions to wire up the winch. Badland wireless winch remote control wiring diagram unique badland wireless winch remote control wiring diagram is just one of the many collections of.

Winch solenoid wiring diagram

Winch solenoid wiring diagram

12 Volt Winch Solenoid Wiring Diagram – 12 volt winch 2 solenoid wiring diagram, 12 volt winch motor wiring diagram, 12 volt winch solenoid wiring diagram, Every electric structure consists of various distinct pieces. Each part ought to be set and linked to other parts in particular manner. Otherwise, the structure won’t work as it should be.

Badland Winch Switch Wiring Diagram

Badland Winch Switch Wiring Diagram

Sep 02, 2020 · Ramsey Winch Wiring Diagram Solenoid – Wiring Diagram Data – Ramsey Winch Wiring Diagram Wiring Diagram contains several detailed illustrations that present the connection of various things. It includes guidelines and diagrams for various varieties of wiring strategies as well as other things like lights, windows, etc.

View 12V Winch Switch Wiring Diagram Schematic PNG ...

View 12V Winch Switch Wiring Diagram Schematic PNG ...

Warn Winch Wiring Diagrams Nc4x4. Difflock view topic winch motor wiring old warn control box how do i bypass solenoids ih8mud forum red winches to wire your albright in cab from basic solenoid for windlass motors with 3 or diagram need help if someone custom ck5 network bench test a ps6000 post pierce arrr some australian land rover owners without 12 volt dc electric remote diagrams nc4x4 ...

UTV WINCH

UTV WINCH

Dec 10, 2021 · The winch drum when the winch motor is stopped and there is a load on the winch cable. Warn Winch Wiring Diagram warn winch wiring diagram warn winch wiring diagram 2 solenoid warn winch wiring diagram 3 solenoid Every electrical arrangement consists of various unique components.

Badlands Winch Wireless Remote Wiring Diagram 66269

Badlands Winch Wireless Remote Wiring Diagram 66269

Winch Wireless Remote Control Wiring Diagram Sample. Assortment of winch wireless remote control wiring diagram. A wiring diagram is a simplified standard photographic representation of an electrical circuit. It shows the parts of the circuit as streamlined shapes, and also the power as well as signal links between the gadgets. A wiring diagram usually gives information concerning…

COMEUP CP-750T WINCH WIRING DIAGRAM | ManualsLib

COMEUP CP-750T WINCH WIRING DIAGRAM | ManualsLib

Sep 20, 2020 · 12 Volt Winch Motor Wiring Diagram – Collection. Repairing electrical wiring, a lot more than any other household project is about protection. Install an outlet correctly and it's as safe as that can be; do the installation improperly and it can potentially deadly. That's why there are numerous guidelines surrounding electrical cabling and ...

Wiring a winch ? - Yamaha Grizzly ATV Forum

Wiring a winch ? - Yamaha Grizzly ATV Forum

Get Ac Winch Wiring Diagram Sample. Assortment of ac winch wiring diagram. A wiring diagram is a simplified standard photographic depiction of an electric circuit. It shows the components of the circuit as streamlined shapes, and also the power and also signal connections between the devices. A wiring diagram normally offers info concerning the ...

Winch Wiring Diagram Two Solenoid - Atkinsjewelry

Winch Wiring Diagram Two Solenoid - Atkinsjewelry

Description : Badland Winch Wiring Instructions Badlands 2500 Winch Wiring pertaining to Badland Winch Wiring Diagram, image size 521 X 405 px, and to view image details please click the image. Here is a picture gallery about badland winch wiring diagram complete with the description of the image, please find the image you need.

Pin on wiringdiagram.org

Pin on wiringdiagram.org

Winch Relay Wiring Diagram - Warn Winch Wiring Diagram Solenoid. Wiring Diagram comes with a number of easy to follow Wiring Diagram Instructions. It really is supposed to aid all the typical person in building a correct system. These directions will be easy to understand and apply.

Lost Winch controller - Jeep Wrangler Forum

Lost Winch controller - Jeep Wrangler Forum

5. Badland ZXR 9500 Winch Wiring Diagram. This badland winch wiring diagram can come in handy if you're looking for how to do it. As shown in the diagram, attach all the red, yellow, black wires to the winch box from the solenoid. Join the black-colored cable and the negative pole of the power supply.

Smittybilt Winch Controller Connector? | Second Generation Nissan Xterra Forums

Smittybilt Winch Controller Connector? | Second Generation Nissan Xterra Forums

winch wiring diagram – You will want an extensive, professional, and easy to comprehend Wiring Diagram. With such an illustrative guide, you are going to be able to troubleshoot, prevent, and full your projects with ease. Not just will it help you achieve your required final results faster, but additionally make the whole method less difficult for everybody.

Winch Relay Wiring Diagram - Warn Winch Wiring Diagram ...

Winch Relay Wiring Diagram - Warn Winch Wiring Diagram ...

capacity of the winch. NOTE: The wire cable has been installed on your winch under minimal load at the factory. The wire rope must be re-spooled onto the drum under load so that the outer layers will not draw down into the inner layers, damaging the wire rope. Step (1) Install mounting kit or prepare a flat, secure mounting location for the winch.

YAWWWQ (Yet Another Warn Winch Wiring Question) | LandyZone - Land Rover Forum

YAWWWQ (Yet Another Warn Winch Wiring Question) | LandyZone - Land Rover Forum

Run the negative wire from the chassis rail to the battery but push it away for a while. Bolt the winch either in front or at the bottom of the plate depending on the bull bar brand and model. Run the wiring and press "in" on the remote control for testing. Regarding your winch's wiring style, you may use either of the most common ways: 1.

Installation Manual for (ES) Winches | Manualzz

Installation Manual for (ES) Winches | Manualzz

Oct 4, 2011. #1. Good info maybe this will start a Winch Tech Thread. Warn 8000. 5 wire inline new colors. 5 wire inline. Remote 3 wire. Remote 5 wire. Remote 6 wire.

Warn A2000 Winch Wiring Diagram Collection

Warn A2000 Winch Wiring Diagram Collection

Winch Selection Guide. Maxwell how to choose the right windlass muir vrc1250 anchor winch cruisers electrical cable sizing for power wiring sailboat owners problem ideal cwm upgrade trawler forum electric winches q a harken marine converting up down user manual and installation guide drum acc loom your boat rc12 33 lewmar parts diagram 1000 1500 selection home good which schaefer choosing an ...

Basic Winch Wiring Diagram

Basic Winch Wiring Diagram

12 volt winch solenoid wiring diagram – You will want an extensive, professional, and easy to know Wiring Diagram. With such an illustrative manual, you’ll be capable of troubleshoot, stop, and complete your assignments with ease. Not only will it assist you to attain your desired results more quickly, but also make the whole method simpler ...

Shed Tech Albright Solenoid Wiring Diagram

Shed Tech Albright Solenoid Wiring Diagram

diagram x8000i winch solenoids wiring diagram post. Architectural wiring diagrams feat the approximate locations and interconnections of receptacles, lighting, and long-lasting electrical services in a building. Interconnecting wire routes may be shown approximately, where particular receptacles or fixtures must be on a common circuit.

Wiring Diagram For Kfi Winch Contactor - Backup Gambar

Wiring Diagram For Kfi Winch Contactor - Backup Gambar

There where so many complicated different color wires and harnesses that made a big tangled mess. I cut out the "remote" switch and some other wiring BS tha...

ELECTRIC WINCH

ELECTRIC WINCH

Pierce arrow winch wiring diagrams. Pierce winch wiring diagram. Below are wiring diagrams for pumps used on bale spikes and dump kits. Psw654 8ek 7 500 lbs. Does anyone have a wiring diagram for a pierce winch any help would be great. Pm319 pump ps025 safety cut off switch replacement diagram for.

Lofrans Tigres Marine Windlass | 12VDC 1500W | LW415AN

Lofrans Tigres Marine Windlass | 12VDC 1500W | LW415AN

Winch Solenoid Wiring Diagram. Winch solenoid wiring diagram improvements s26rk make it so shed tech albright how to wire a without 12vdc 6 post do i bypass solenoids ih8mud forum winchmax wireless remote badland winches parts bench test a1 1000 red your install utv superatv help prc polaris ranger club warn diagrams nc4x4 waterwich 12v 250a have ramsey 8000 12000 lb cdm fabrication custom ck5 ...

Mid-Frame ti Wiring Diagram: winchserviceparts.com

Mid-Frame ti Wiring Diagram: winchserviceparts.com

Barbados Screwdock

Barbados Screwdock

Warn 8274 Winch Wiring Diagram

Warn 8274 Winch Wiring Diagram

Badland 12000 Winch Wiring Diagram - CERITERAHATI-NAD

Badland 12000 Winch Wiring Diagram - CERITERAHATI-NAD

Desert Dynamic Winch Wiring Diagram - Wiring Diagram

Desert Dynamic Winch Wiring Diagram - Wiring Diagram

Warn Winch M8000 Wiring Diagram Gallery

Warn Winch M8000 Wiring Diagram Gallery

19 Luxury Superwinch Lt2500 Atv Winch Wiring Diagram

19 Luxury Superwinch Lt2500 Atv Winch Wiring Diagram

Badland 2500 Winch Wireless Remote Wiring Diagram

Badland 2500 Winch Wireless Remote Wiring Diagram

Unique Winch Contactor Wiring Diagram #diagram # ...

Unique Winch Contactor Wiring Diagram #diagram # ...

Ramsey Dc-200 8000-Lb Winch 12-Vdc In Operation - Youtube ...

Ramsey Dc-200 8000-Lb Winch 12-Vdc In Operation - Youtube ...

Badland Winch Wiring Diagram

Badland Winch Wiring Diagram

Warn XD9000 solenoid wiring

Warn XD9000 solenoid wiring

Warn winch Wiring diagrams | NC4x4

Warn winch Wiring diagrams | NC4x4

WARN 812000 TABOR 12K Winch | Quadratec

WARN 812000 TABOR 12K Winch | Quadratec

30 Harbor Freight Winch Wiring Diagram - Wiring Diagram Info

30 Harbor Freight Winch Wiring Diagram - Wiring Diagram Info

Superwinch Wiring Diagram | Free Wiring Diagram

Superwinch Wiring Diagram | Free Wiring Diagram

Comments

Popular posts from this blog

43 5vz fe vacuum diagram

43 Mppt Charge Controller Circuit Diagram

40 botox injection sites face diagram